Mar 9, 2021
Combined Power Cycles: What Are They and How Are They Pushing the Efficiency Envelope?

Update – February 28, 2023: AxCYCLE is our legacy software and is depreciated by AxSTREAM System Simulation. System Simulation was born out of the union of the legacy AxCYCLE and AxSTREAM NET software packages.
Combined cycle power plants have introduced a significant increase in efficiency compared to simple cycle power plants. But what is a combined cycle power plant and how does it work?
What are Combined Cycle Power Plants?
In simple terms, a combined cycle power plant is a combination of more than one type of cycle to produce energy. A combined cycle plant consists of a topping and bottoming cycle with the objective to maximize the energy utilization of the fuel. The topping cycle normally is a Brayton cycle based gas turbine while the bottoming cycle is a Rankine cycle based steam turbine.
Gas turbines are used because this equipment can very efficiently convert gas fuels to electricity with the choice of using different fuels. Recently, the simple cycle efficiencies of gas turbines have improved considerably. As an example, standard fossil fired Rankine cycles with conventional boilers have an efficiency in the range 40–47% depending on whether they are based on supercritical or ultra-supercritical technology. By utilizing waste heat from the heat recovery of the steam generators to produce additional electricity, the combined efficiency of the example power plant would increase to 60% or more. Combined cycles are the first choice if the goal is to generate maximal energy for a unit amount of fuel that is burnt.
Why Don’t all Power Plants Use Combined Cycles?
You might be wondering why not all plants are based on the combined cycle. The primary reason is fuel availability. Not all regions are blessed with the availability of gas that can be easily utilized in a gas turbine. Transporting gas from one location to another, or converting a fuel to gas specifically for operating a gas turbine, may not be the best economic decision. The technological expertise required in maintaining a gas turbine is another challenge faced by gas turbine operators. A typical combined cycle plant is presented in Figure 1.
The key component of the combined cycle power plant apart from the turbines is heat recovery steam generator (HRSG). The major objective is to convert maximal heat from the exhaust gas of the gas turbine into steam for the steam turbine. The HRSG, unlike the conventional boiler, will operate at a lower temperature and is not subject to the same temperature as the boiler furnace. The exhaust gas from the gas turbine is directed through the tubes of the HRSG wherein water flowing through these tubes, observes heat and converts into steam. The temperature of the live steam is in the range of 420 to 580 C with exhaust gas temperatures from the gas turbine in the range of 450 to 650 C. A supplementary burner could be included in the HRSG, but adding a supplementary burner reduces the overall cycle efficiency.
Can a Combined Cycle Power Plant be Even More Efficient?
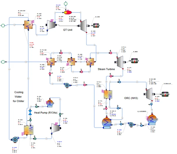
The efficiency of combined cycle power plants can be further increased by use of an Organic Rankine Cycle in place of the condenser. Cooling the air at the inlet of the compressor, especially in hotter climates, can reduce the compressor work resulting in better cycle efficiency. Figure 2, shows a combined cycle consisting of gas turbines, steam turbines, organic Rankine cycle and a heat pump.

Figure 2. Combined Cycle Power Plant Consisting of a Gas Turbine, Steam Turbine, Organic Rankine Cycle and Heat Pump to Maximize Efficiency.
In addition, a combined cycle for power generation can be integrated with syngas (mix of H2 and CO) generation. Syngas can be produced from a number of sources, including coal and biomass. In a natural gas integrated power and syngas generation cycle, the fuel (methane) is mixed with working fluid and converted into syngas before combustion. A major part of the produced syngas is used for power generation, remaining portion is used to produce chemicals, fertilizers, synthetic fuels etc.
A combined cycle can also be integrated with a solar thermal field. In this cycle, the solar energy is used as an additional source of heat for power generation using steam or other working fluids (depending on the temperature) which results in increased power output with reduced fossil fuel consumption. It is not necessary to always use a Brayton cycle and a Rankine cycle for the combined cycle power plant. The topping cycle and bottoming cycle can both be a Brayton cycle with different working fluids. Use of supercritical carbon dioxide as the bottoming cycle which is based on Brayton cycle would not only provide higher efficiencies than a Rankine cycle but would also reduce the overall footprint of the plant making it more compact.
With rising fuel costs, emission control regulations, and concerns about reducing the carbon footprint around the world, a combined cycle will be the future of power generation in the years to come. No matter which cycle you are combining to create your combined cycle, AxSTREAM System Simulation., a conceptual thermodynamic cycle design software, can be used to perform cycle calculation with minimal input data. To learn more, contact sales@softinway.com or request a trial here.
"*" indicates required fields


