AxCYCLE:优秀却被低估的热力循环设计工具
现今机械工程师已经开始像钢铁侠一样用虚拟现实来设计机器,然而很多总体设计师仍然用Excel表格之类的落后工具来设计热力循环系统和性能计算。人们需要一款更可视化、易于沟通、内置强大功能和数据库、可以信赖且使用灵活的工具:AxCYCLE。
AxCYCLE已经在全世界的工业界和高校得到广泛应用。如果有朋友不太熟悉,AxCYCLE™是一款热力学仿真软件,能够让用户根据有限的已知数据,在界面友好且灵活的环境中快速,轻松地设计、分析和优化各种热力学循环(热力学模拟和热平衡计算)。

AxCYCLE™可以计算多种类型的循环,其应用范围包括:
- 化石燃料蒸汽发电厂
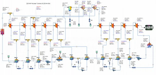
- 核电蒸汽发电厂
- 不带冷却和带冷却的燃气涡轮设备
- 航空燃气涡轮发动机
- 联合循环(燃气 – 蒸汽,燃气 – sCO2等)
- 热电联产循环
- sCO2(超临界二氧化碳)循环
- ORC(有机朗肯循环)
- 地热循环
- 熔盐循环
- 废热回收循环和系统
- 热泵循环/制冷循环
- 等等。
作为概念性的零维工具,AxCYCLE™只需要组件的基本热力学参数(如压力、焓、温度、流体质量)和基本性能参数(如效率和压力损失),适于在系统组件没有完全确定时设计循环系统或分析某些几何/力学数据不详的现有系统。内置了丰富的组件数据库,通过简单的拖放即可建立循环。除设计点计算外,AxCYCLE™还包括多个工具用于系统非设计工况计算、参数研究和优化任务,并生成分析报告。

本次在线研讨会将简要介绍AxCYCLE的主要功能,并演示用其进行ORC及超临界二氧化碳循环设计的两个案例,也欢迎参与者提问互动。
主要内容:
- AxCYCLE概览及其架构
- AxCYCLE使用范围
- 主要功能模块和特性(MAP, QUEST, PLAN and CASE)
- AxCYCLE循环设计部分案例
- ORC和超临界二氧化碳循环设计演示
面向对象:
- 在传统能源及新能源利用技术领域工作的专业人士
- 希望从系统层面提高能效的总体设计工程师
- 需要在不同循环配置中分析机器性能的叶轮机械设计工程师
- 尤其是对ORC及超临界二氧化碳循环设计分析有兴趣的工程师
- 在能源与动力工程专业学习并希望了解热力系统分析前沿工具的工程专业学生
Simulating Advanced Data Center Cooling Systems with AxSTREAM
View Details
Holistic Turbofan Design & Optimization with AxSTREAM
View Details
Solving Simulation Challenges in Advanced Propulsion Systems
View Details