Simulating Advanced Data Center Cooling Systems with AxSTREAM
May 7th, 2025 | Start Time 10:00 AM – 11:00 AM ET
Presenters:
Dr. Vlad Goldenberg, PE SoftInWay
Dr. Azam Thatte, Energy Recovery, Inc.
With increasing power density in state-of-the-art chips and rising computational demands from AI and cloud computing, server rack cooling requirements in data centers continue to grow. As hyperscale data centers approach the 100 MW scale, the power demand for generative AI alone is projected to exceed 500 TWh by 2030, representing a significant portion of U.S. electricity consumption. Cooling systems can account for 30–50% of a data center’s total energy use, making efficient thermal management essential. To meet these demands, new cooling methods—such as direct-to-chip cooling—must be considered, especially for high heat flux chips (100 W/cm² or more).
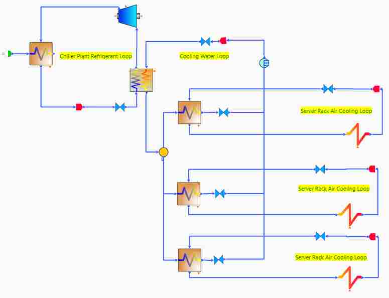
In this joint webinar, SoftInWay and Energy Recovery, Inc., will explore how direct-to-chip cooling can be integrated into data centers alongside traditional hot/cold aisle air cooling while significantly reducing the energy costs, upfront capital expenditures, and the carbon footprint of the data centers. We’ll discuss the necessary technical adjustments to cooling flows under varying heat loads and demonstrate how AxSTREAM System Simulation (Figure 1) can be leveraged to implement process control strategies that adapt to dynamic cooling demands.

Figure 1: AxSTREAM System Model of a Typical Hot/Cold Aisle Data Center Cooling System.
In the second part of the webinar, we will introduce the Trans-Critical Rotary Pressure Exchanger (PX), a novel machine developed by Energy Recovery, Inc., that can reduce data center cooling energy consumption by up to 25%. We will also discuss its performance benefits and how integrating PX into existing systems can improve efficiency (Figure 2). In addition, we will discuss how PX facilitates transition from traditional high global warming refrigerants like hydrofluorocarbons (HFC) to ultra-low global warming refrigerants like CO2, making the next generation of data centers environmentally sustainable.

Figure 2: Novel Rotary Pressure Exchanger (PX) Based System for Significantly Reducing Energy Consumption of Next Gen Data Center Cooling Systems.
Why attend:
- Learn how control algorithms can be utilized and incorporated into the modeling of a cooling system with variable cooling loads
- Discover how different cooling approaches can be implemented for data centers, and what the performance benefits of each approach would be.
- Explore system modeling strategies for optimizing overall cooling system performance
- Learn about the novel Rotary Pressure Exchanger and how it can save up to 25% energy consumption of the cooling system.